• Electronic auto-refill

Julie3950

I forgot to write. The float has weights inserted from the bottom - two lead seals (like those used to seal meters, etc.). It is adjusted so that the float is half submerged in water. ..................... P.S. There will be four extra working controller boards for topping up, if anyone is interested - message me, I can exchange them for marine life.

Jerry

How are these weights inserted? Is there no direct contact with water?

Andrea9320

I just looked at the ATtiny26, it has an Internal Calibrated RC Oscillator. So a crystal is overkill for such purposes. In my opinion. -)

Michelle104

No, of course not. They are inside the float, the hole through which they were inserted is sealed.

Anne4851

I know

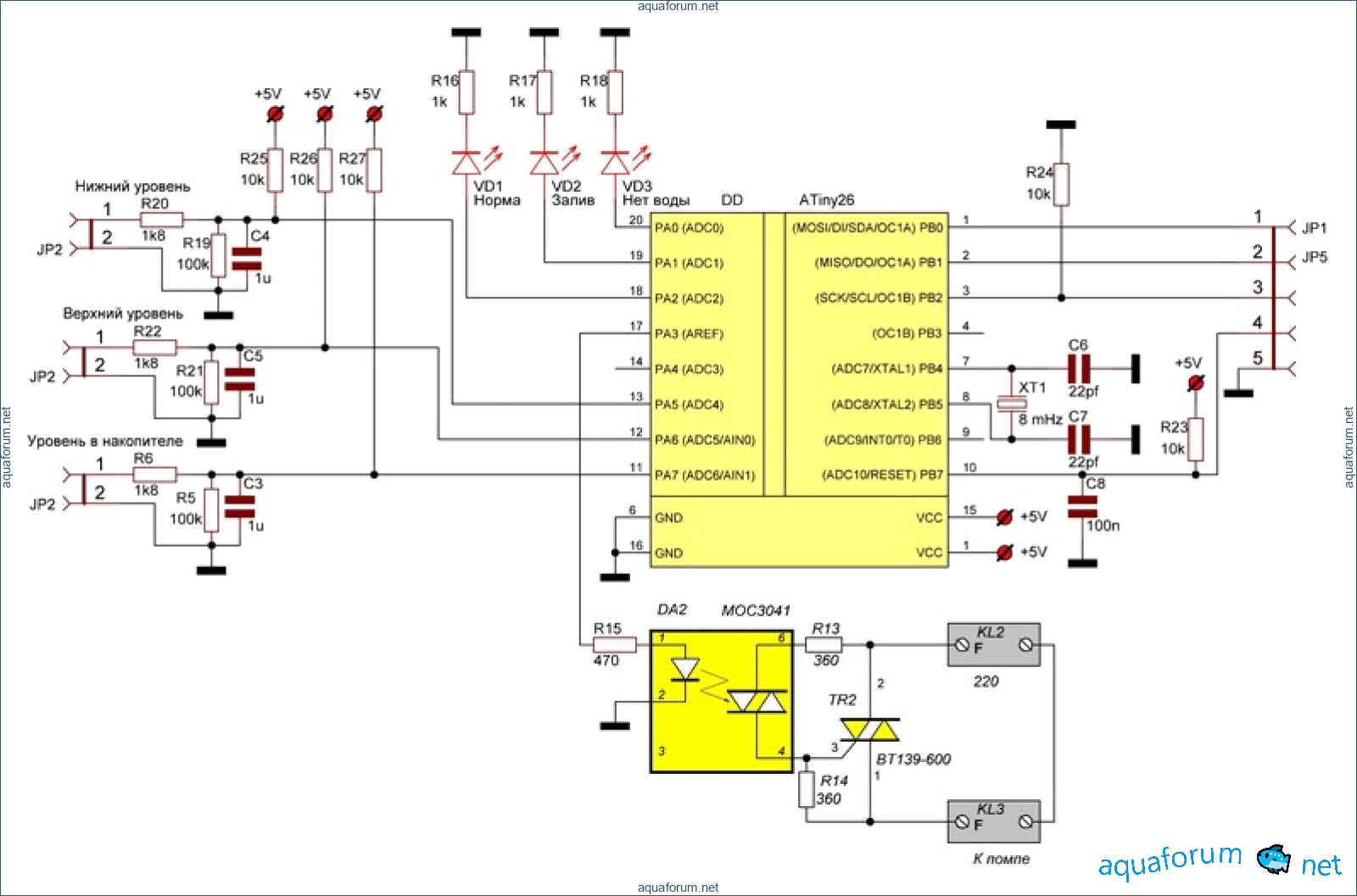
Timothy

So I finalized everything. Tested it for 1 month. Here’s what I got: Diagram: Board: Wiring diagram: This is how it looks: Sensor diagram: Original sensor: Diagram, board, firmware attached.

Breanna9982

Yes, I completely forgot. The main problem with such devices is the pump. I have one like this: Actually, this is not a pump, but the head from this mini-filter: It can't handle 300 liters. 50 is closer to the truth.

Crystal

Atman AT-301 - a similar head without a filter.

Christopher1774

You can use any 220V head.

Karen2578

Now this product is in mass production...

Elizabeth882

I have a few ready controllers. I can exchange them for corals. One controller for one coral.

Mark

How about we change? Should we change based on weight or cost?

Leslie

Not yet... We can have beer with shrimp...

Tanya

It turns out to be a good topic. I'll search the internet - someone somewhere made an automatic refill using such sensors. They installed three of them in a junction box with small holes - it resulted in an excellent automatic refill. Well, the pros will help with the program in their spare time for this version of the automatic refill as well. Here are the links:

Kendra2262

How long have you been using these electrodes? Is there no dependence of the level on the deposits on them?

Mark9853

only gathered The entire system is still in the experimental stage.

Mark

Is the electronic circuit going to work in freshwater with a conductive sensor?

Tiffany5069

I will refine it - it will work. Any automatic refill works even on osmosis.

Kenneth7331

I improved the input channels. I removed the pull-up and connected the common sensors to +5V. I changed the program logic to reverse. They are triggered by saltwater, freshwater, and osmosis. For osmosis, the electrode length is 2 cm. For saltwater, they trigger when submerged by 1-2 mm. There is no effect on the pH electrode.

Christopher3770

While studying the issue, I dug up... I'll write it down here.

Jasmine

Somewhere like that.

Jessica5016

I am also interested in the problem of automatic refilling, but I don't want to make electronics for now; I'm interested in mechanics. Here's what I found online: Response #11: November 20, 2011, 23:46 I decided to do it this way: in the side wall, at the required level (well, I just said it), a hole of 4-5mm is drilled (for the air tube), into which it is essentially embedded. The length of the tube is 10-15cm. The other end is soldered into the cap of a 5-liter plastic bottle. The bottle is filled with water and attached above the aquarium. I would draw it, but I think it's generally clear. I will try to do it myself and will report back on the results.

Allison

In communicating vessels, the water is always at the same level. All 5 liters will simply pour out of the bottle into the aquarium at once.

Nicole

With a vacuum, it won't spill. Even the aquariums I've seen among Americans are shaped like bird feeders. The fish feel fine, and it doesn't overflow. Here's something else I found: a reed switch water level sensor.

Jason5071

Well, if you do it, you'll show it. ................ I refused to use reed switches due to their unreliability.

Brandy

Well, here it is: solenoid-water filling washing machine. I will observe your experience while also looking for my own solution for auto-refilling; summer is just around the corner, and in a small aquarium (24 liters) the water will evaporate very quickly (this aquarium hasn't survived a summer yet, so I'm preparing for the worst).

Robert1845

The valve is used to control the flow of water. When voltage is applied, the valve opens; when the power is turned off, the water flow through the valve stops. The illustration shows the valve assembled with a power supply and two JG 1/4 inch fittings. Residents of Kharkiv are already providing a ready-made solution.

Bridget

And who will turn on the valve?

Brandon9634

Indeed, yes... without a level, it's impossible...

Tami

Something went wrong.

Christopher4125

Not good... Kyivstar... damn!!!!

Colin1418

A brief recap.. The vessels are connected, water does not spill out; only when air is sucked in from the hose does a portion of water spill out, while bubbles of air come from the hose that regulates the water level in the aquarium into the container with water. As soon as the water level covers the air intake, no water flows from the container.

Michelle13

I used a filtering bottle from the mash (the one that is placed after the container with the mash and filled with water), which has two openings for tubes in the lid, perfect for the experiment. The height of the container for adding water should be at least 1.5 times the height of a 0.5-liter plastic bottle. It's simple, budget-friendly, and has no quickly breakable parts. Suitable for vacations, business trips, etc.! I took some photos, but I don't think the quality is good due to poor lighting. If the photos didn't turn out well, I'll retake them and upload them to the thread.

David4968

1. What will happen if there is a leak at the outlet of the tube? This is the Achilles' heel of such systems. 2. I need about 40 liters of osmosis water per week; should I hang a 40-liter tank above the aquarium? How do I fill it? It can't be open; it needs to be sealed. So does that mean I have to take it down to the floor every time, refill it, and hang it back up? Then it would be easier to just add water manually to the aquarium. In general, your proposal is only suitable for mini-aquariums and only for freshwater.

James1625

In conditions of humidity under the aquarium lid or in the sump, the photoelectric sensor will fog up and not work (tested). And again, who will interrupt the beam? Again, moving parts? Very expensive sensors (from 50 USD) + see above. I have it in the sump, or rather, it is part of the sump. But the water won't flow up to the aquarium by gravity from there.

Omar3497

Contactless liquid level sensor may come in handy.

Lindsey3362

I know what the sea is like... I'm thinking of starting one. I used the sump design when I made a phytofilter for myself. I'm considering making a similar sump for a freshwater aquarium... Will algae grow there like in a marine filter? The shrimp will have plenty of space if there is always beard algae and filamentous algae in the freshwater sump...

Dana6523

Off-topic, maybe it would be better to put hornwort there?

Susan1358

I have already written about them: 1. Expensive. 2. Stops working or distorts when the sensor fogs up.

Angela7060

I see, I'll keep browsing the internet... The topic is relevant, but I want a simpler solution, and all the sensors, whether for fuel or other liquids, are quite expensive... However, people say that you can get a sensor for washing machines at a salvage yard. It costs around $3-5.

Chad4168

Sensors with mechanical movement of anything will not work. It’s enough for a snail to crawl on it or for it to become covered with algae, and it will stop working.

Joseph6461

In total, at least two buildings. I have one. The price of that thing is a penny.

Veronica

A colleague was working with the Israeli leak sensor (it turned out to be non-functional under certain conditions, long lines to the electrodes). As a result, this scheme was created. Take a look, it might be useful to someone.

Holly

With your permission, I will publish my version of the electrode mounting on the edge of the SAMP. We take the most ordinary, unnecessary, usually, mounting for fountain pumps on vertical glass. And we assemble a simple mounting for the electrodes. The electrode responsible for turning off the pump when the water reaches the desired level is adjustable. Heat shrink tubing helps. Reliable, not complicated, and looks like a branded device =) Thank you once again for the controller!

Jill1815

How justified has the system with electrodes been?

Julia

yes, 100% Convenient, safe, affordable.

Ricardo7341

I understand that the tips of carbon fiber rods will also work, just need to remove the varnish with sandpaper?

Emily3506

I haven't checked. I need to measure the resistance.

Julie3950

What about the capillary effect? For some reason, many doubt the reliability of this type of sensors. Allegedly, salt accumulates and the capillary effect introduces errors.

Danielle

From myself: not a broom. And even if the level changes by +/- 1 cm, that is absolutely normal. Please provide a link to "doubts about reliability." Thank you.

Christopher1252

If the level changes by 1 cm, won't the osmotic refill dilute the salty water too much?

Chad231

Well, it depends on the area of the compartment in the sump where the level is maintained. Mine is 10x10 cm. With a system volume of 400 liters, even 5 cm won't make a difference.

Todd8452

Ha, but the salt doesn't evaporate! The density will increase when the water evaporates, and adding more will return it to the previous level.

Michelle104

What does the capillary effect have to do with it? Carbon does not get wet, and there is no capillary effect there. And how can salt grow in water? It doesn't seem to grow on the walls of the aquarium.

Jill9137

I use this system in two aquariums. Sometimes it overflows quite a bit, even emptying the osmotic container. I clean the electrodes rarely - once every few months, maybe that's the problem...

Sandra7004

This is exactly it. The first version is more sensitive to the state of the electrodes, while the second one is already better. If desired, the first version can be improved as well, if there is someone with a soldering iron and skills. If you need it, message me, and I'll explain how.

Bridget

Here, tell me =)

Joseph591

There are no skills. Can you send it for revision?

Chad

It will be more expensive to send back and forth. In Kyiv, there are both options, it's easier to coordinate with them. The essence of the modification is as follows: three diodes are removed and jumpers are soldered in their place (or the pads are bridged with solder). This way, the sensitivity of the sensors is increased. The auto-refills of version 2.0 do not require this modification.

Elijah7048

Good afternoon. I bought the latest version of the auto refill. It worked for 4 months without cleaning - it worked like clockwork - I'm very satisfied, but that's not the main thing: I had a flood due to my fault (the hose on the pump came off) and I completely flooded the entire unit.... it was on for about 10 minutes in the water, and when I turned it off, I just set it aside for a couple of weeks and accepted that the electronics couldn't work after that. )))) Before ordering a new one from Sergey, I decided to turn it on anyway, and you won't believe it - it worked like new. I don't know how it works its magic, but it's really cool!!!!

Ryan

Is there a schematic and firmware for the latest version? Is it flashed through the connector next to the chip shown in the photo?

Wendy8540

I re-soldered it. It didn't help. The device didn't always detect the osmosis water. I cut off the sensor completely and connected it directly. Now it works, but you need to be careful.

Phillip9722

No. No.

Reginald5073

Try adding a little water from the aquarium to the osmosis. With GOOD osmosis, the sensors may not actually detect it.

Yolanda

There was a similar situation with osmosis. That's how the problem was solved. A cup of water from the aquarium is all it takes. Considering that I don't empty the auto top-off container completely, but fill it to a maximum of 90%, the remaining diluted water lasts a long time to ensure sufficient conductivity. According to statistics, I added water from the aquarium only two or three times during the usage period. Top-off capacity = 35 liters Evaporation = 3-5 liters per day Usage time = about six months And yes, I haven't cleaned the electrodes even once.

Michelle9986

Good afternoon! So where can I buy this device? I'm just gathering the sea.

Charles

I have

Angela7060

I started launching the sea and also faced the need for a reliable auto-fill! So I thought, what if I use a gyroscope? Pour it with resin and attach it to the float's lever!? What do you think about that?

Holly

What do you plan to use to spin the gyroscope? Air?

Jeremy

What exactly should be rotated????? The gyroscope board should be attached to the lever of the float, the gyroscope measures the angle at which the lever has dropped (or risen)! What is there to rotate?

Sarah5423

And you are talking about an electronic modular gyroscope. Well, then it is necessary to ensure that the lever's slide cannot get stuck. Then your idea has the right to exist.

Charles894

of course electronic))) mechanical would be cool))) 1 axis and with normal play, I think the chance of jamming will be reduced to 0! there is a gyroscope and Arduino Pro Mini, I will try to put something together ))

April3499

The idea is interesting but expensive. Unfortunately, gyroscopes are both costly and not available in the first store you find. It’s better to use the principle of a sonar, as modern modules have an accuracy of +/- 1 mm. If anyone is interested, I can share the finished prototype.

Joseph

I bought it on eBay six months ago) gyroscope on 3 axes + accelerometer, only 2 dollars!!!!!! The fish finder is also interesting! If possible, please share which fish finder you are using?

Zoe7451

Sorry for the silly question, but what power supply should be used? It's not mentioned anywhere.

Chelsea

Gentlemen innovators. You raised this topic in 2011, it's now 2016, and there are still a lot of questions. Wouldn't it be easier to spend two hours and run a hose from the osmosis system to the room where the aquarium is? Attach a float to the end of the hose, which is sold by almost everyone on the forum. The water from the sump evaporates, the float opens the opening, and the water flows... The simplest and yet most reliable system.

Kevin3114

Any at 5V. The current there is small.

Jennifer5371

What's the fuss about the product... I've been using it for 5 years - everything's fine. I'm not a fan of old computers. I don't see the point in running a hose from the kitchen.