• Homemade foam maker

  • Frederick

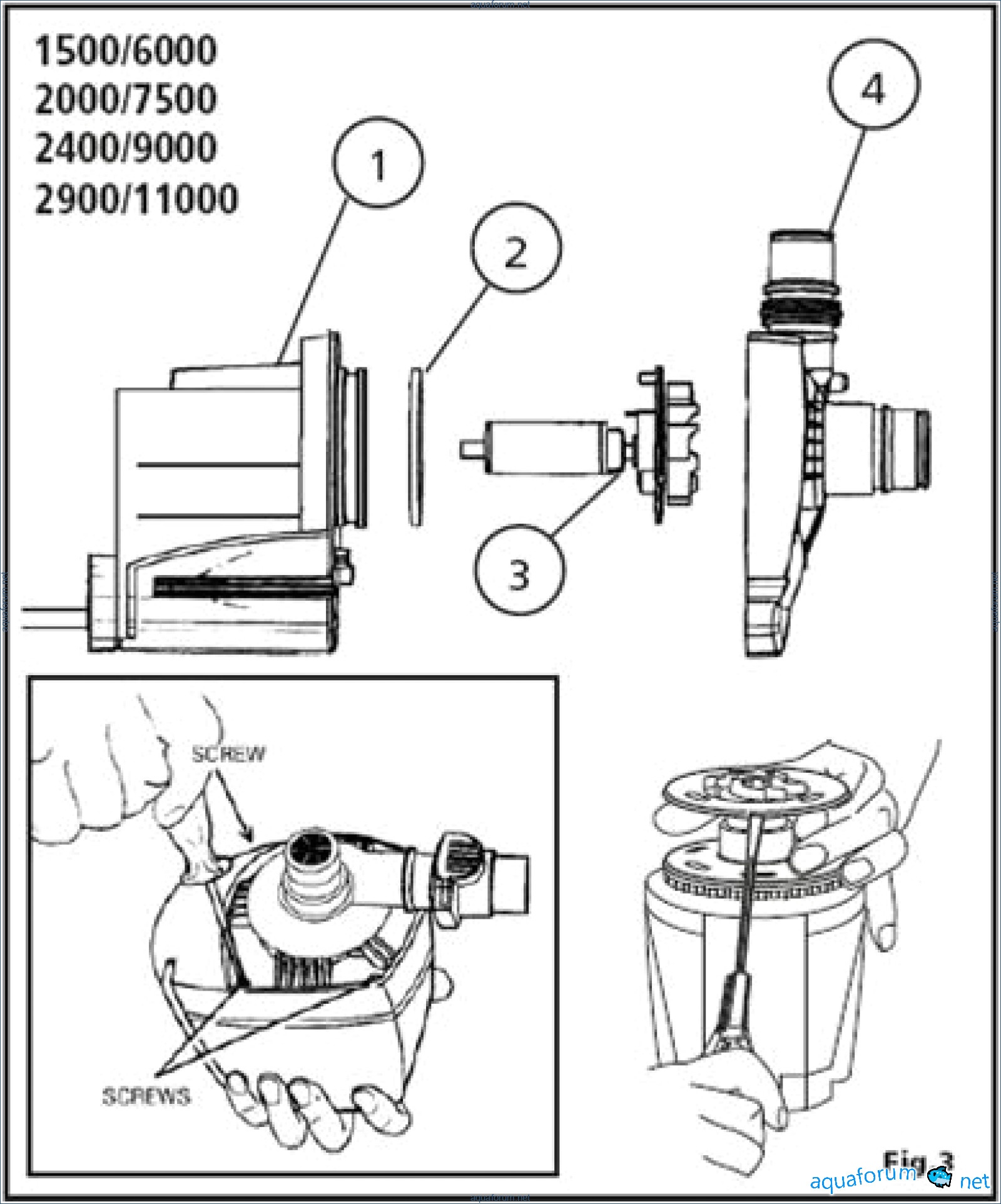
Here is a foam maker I crafted. It is made from a 200mm pipe, approximately 60cm tall, with a 3000l/h NewJet pump, a "furry" wheel, a bayonet connection between the cup and the foam maker, and convenient water level adjustment in the foam maker.

Caitlin3279

Super. Have you tried it yet?

Sarah

I believe you can place bets..... I think it will give 0.5-0.6 liters of foam, the water level at the beginning of the cup Your word....

Jessica6754

No, I haven't experienced that. A similar foam on the Eheim 1262 pump produced about 1.5 liters of foam in the first half hour of testing. The water level in the sump also plays a role. The dimensions here allow for the connection of up to 3 NewJet pumps rated at 3000 l/h.

Shelby3182

That's right, and also depending on the degree of water pollution, for a foamer of this type, an optimal level is probably 250-300mm. For a pump of this capacity, the last pipe should definitely be no less than 100mm, and if three pumps are installed, then 150mm, as there will be too many bubbles and they simply won't fit in the last discharge pipe. Overall, the device is great, very similar to the original, and I really liked the cone; it's a real success.

Dana4701

Here is more detail, I didn't understand "the last pipe" and "in the last discharge pipe" - what does this refer to?

Alyssa6727

the last pipe I refer to is the section of the pipe through which the foam flows into the cup - "pours out" ;-)))

Brianna

No, it's not that bad. In my pen, foam starts to form just below the cone and the dry part rises up. So the diameter of the pipe in the cup is not critical - 60mm is just right. In the photo, you can see that at the top of the cone there is already foam, not water with air. P.S. Maybe I don't understand something.

Julie4738

I don't think so, this pump might work for this one, but not for others. A couple of questions, if possible. At what water level in the skimmer does it start to overflow? 1-2 cm above the cone? How does this scheme work (turbulence, bubble at the outlet)? If possible, a photo of the lower part.

Charles894

Penny on the Eheim 1262 pump in the first half hour of operation:

Robert1845

I made a impeller here. I've been toying with the idea of experimenting with the enkomat and its attachment to the impeller for a while. It just fits inside. I installed it in the foam maker, and it works just as well as the old impeller. But I have thoughts about increasing the pump chamber and putting such an impeller in there.

Shawn

Cool, made to a high standard. If you increase the camera, you need to extend the impeller in length (in the form of a turbine).

Larry

This is not a problem at all. This rabbit cage was made as a test for the 3000 l/h NewJet pump. The chamber there is small. It was interesting to try a rigid design and an enkomat, with the expectation of a larger pump.

Michelle13

How many labor days were spent on the thing?

Justin

2 evenings Before this version, there were 3 prototypes

Nicole

I was redoing the pen. I installed a new pump. It turned out pretty well.

Tammy2040

I bought a cool pump. The pen for it is in progress.

Joseph8592

Hi! Wow, is this "Laguna"? (joke) P.S. Oh, you've already added photos, cool!!!

Wanda666

Not Askold

Jeffery

I recently modified the Atman 170W head (5000L/h), which pulls 700L/h of air; I think the Askoll should outperform it.

Gabriel

What is the budget for the homemade project?

Antonio

The pump cost about 200 bucks, and the plastic and fittings were around 120-150. It took more time to make, but the result is interesting. I think I’ll be able to post photos of what I’ve got next week.

Tammy2040

Several photos of the blanks. They need a little more refinement, and then I will try them out. It was interesting to make the design as disassemblable as possible for ease of maintenance (cleaning).

Rebecca1419

WOW!!! THING!!! Let's see what he grinds up....

Christine

Wow, how lucky someone is. And how much milk does the cow give??? It would be cool to see it at the moment when it releases bubbles....

Paul

I got a ride. Now, while the details are being finalized.

Danielle8118

Yesterday I set it up and started it. What can I say - it's amazing. There are countless bubbles. If the body were 5 cm smaller, the bubble wouldn't fit in the foam. There are flakes of foam in the cone. I'll post photos a bit later; I set it up at one in the morning and admired how it works until three.

Breanna9982

As promised - photos of the foam generator in action. Start - and a series of photos over 10 minutes while the foam generator reaches operating mode.

Richard

Aren't you narrowing the outlet in the cup too much? Judging by the photo, there is a 50mm pipe, which seems a bit narrow.

John828

The photos are certainly nice..., but you can't see anything. At least tell us as a witness where the water level was????? As far as I understand, it was 3-4 cm below the top edge of the 200 mm pipe.

Elizabeth6302

It seems that the level is visible. It is 10-15 cm lower than the beginning of the cone.

Sarah

You are all partially right, but at the same time, you are mistaken. 2 NOX: The pipe is indeed a bit thin, but it's not 50mm, it's 60mm, and the foam just shoots into the cup. I wanted to install a larger diameter pipe there, but I changed my mind in favor of increasing the volume of the cup for the skimmer. 2 The level of foam there is indeed below the cone, but by about 6-7cm. Although it's quite difficult to see it, see the photo. 2 I meant, I think, where the water with air ends and pure foam begins, while you are referring to the level where the water separates from the water with air.

Zachary

I just set the skimmer on a timer, it turns off from 10:30 PM to 2:00 AM because that's when I feed the corals. P.S. It skims for 24 hours.

Anthony7814

How about the noise, is there any vibration?

Patricia

What volume of foam have you estimated?

Robert1845

There is practically no noise, but there is vibration. I plan to work on the impeller. Once I get a spare one, I will try different options. There is just an immense amount of foam there; if only I could find out where it starts...

Katherine

I have a bad habit - I only ask questions to which I know the answers. You don't have to respond... If you do respond, write it as it is... I'm not a fool, I won't fall for it...

Kenneth2761

KOROBA, People have become so lazy!!! I'm shocked!!! There's Google as a last resort.

Michelle104

Well, finally you wrote something coherent, but it's still not quite what I would like. Descriptions of the product like "bomb," "countless bubbles," etc.—sorry, I'm getting stuck. Parameters such as the volume of air being drawn in and the volume of foam, without which it's hard to understand how the skimmer works, I think cannot and should not be a secret. It produces 4.5 liters of foam and draws about 25-30 liters of air per minute. The pump (100W) is not small, and its vibration is also significant, and in your case, it is fully transmitted to the skimmer body, so you are unlikely to get rid of the noise. Overall, the result is not perfect, but it's already something.

Todd

You probably misunderstood; the mounting foam is not involved at all. It is about the foam that forms during the mixing of aquarium water and air. This is necessary for removing protein-based products. In other words, small air bubbles "attract" the protein and gather at the top of the skimmer, where, as they accumulate, they are expelled into a special cup for collecting unwanted debris in the aquarium. In simple terms, this is a filter...

Jacob4800

KOROBA, First, please read the eighth and tenth books by downloading them from the link below. That's one... Secondly, if you have questions, you can create a separate topic in the appropriate section. Added after 1 minute Wow!!! Especially the photos!!!

Julie3950

There is no rotameter (and that's very bad), but the level can be checked. It can be seen in person; not everyone can see it from a photo. In the water, the bubble moves chaotically, while above the water, it moves steadily, and the bubbles are tightly packed together. The pump is good, but without a proper impeller, it's junk.

Guy

And as can be seen in the photo, the bubbles do not move chaotically? They are tightly packed all around. The most interesting thing in the photo is that there are many bubbles and the cones are already covered in rags of foam.

Susan9583

I don't understand that each wheel is made individually. What kind of labor costs does that entail at the factory?

Larry

About chaos - this is a hint for you, I can see it from the photo Those who do not want to see do not see.

Rachel

You are simply the best, you are super awesome. P.S. Damn, I will have to splurge on an air flow meter.

Holly

When you buy it, then we can talk about what is good and what is bad. I think there won't be a need to talk - everything will be clear. You can take this one, it's quite decent.

Denise

Good day, how relevant is the custom manufacturing of needle wheels, and not only that, at the moment? I can manufacture.